公司简介
公司历程
企业文化
荣誉资质
合作客户
公司新闻
行业资讯
科学饲养
全程追溯
技术保障
安全生产
检验检疫
连锁零售
商超合作
批发销售
人才招聘
联系我们
网上商城
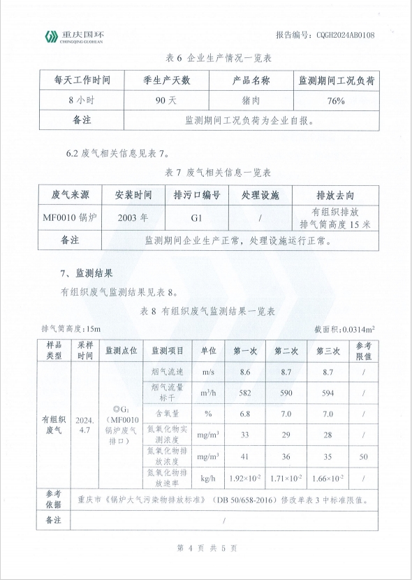
重庆旺峰肉业股份有限公司 环境信息公开通知(2024年4月)
2025-05-30
分享到: